基本的に最初期型K3のデーターを表示している。セル付きや後期型はカッコ書きでの補足を記入してあるが、すべてを網羅しているわけではないので注意。
主要諸元
| 営業機種記号 |
X5K3 |
車両重量(kg) |
前20 後23 計43 |
| 通称名 |
チョイノリ |
乗車定員(人) |
1 |
| 車名および型式 |
スズキBA-CZ41A |
タイヤ前 |
80/90-10 34J |
| 認定番号 |
I-1724 |
タイヤ後 |
80/90-10 34J |
| 種別または範囲 |
第一種原動機付き自転車 |
最低地上高(m) |
0.090 |
| 軸距(m) |
1.055 |
燃料消費率(km/L) |
76 (30km/h) |
| 原動機の型式 |
Z401 |
制動停止距離(m)(初速km/h) |
前後輪15(36) |
| 総排気量(L) |
0.049 |
最少回転半径(m) |
1.6 |
| 長さ(m) |
1.500 |
|
|
| 幅(m) |
0.620 |
|
|
| 高さ(m) |
0.975 |
|
|
原動機
| 始動方式 |
キック式(セルフ式) |
最高出力 kw(PS)/rpm |
1.5/5500 |
| 種類 |
ガソリン 4サイクル |
最大トルク Nm(kgf)/rpm |
2.9/3500 |
| 気筒数と配置 |
単 横置 |
吸気 開時期 |
15° BTDC |
| 燃焼室形式 |
バスタブ型 |
吸気 閉時期 |
51° ABDC |
| 弁機構 |
OHV |
排気 開時期 |
48° BBDC |
| 内径×行程(mm) |
3.60×48.6 |
排気 閉時期 |
18° ATDC |
| 圧縮比 |
8.4 |
潤滑方式 オイル量(ml) |
飛沫/300 |
| 総排気量(L) |
0.049 |
冷却方式 |
空冷 |
カッコ内はセル付き車両
燃料装置
| 空気清浄器 形式 |
ウレタンフォーム式 |
燃料タンク 材質/容量(L) |
鋼/3.0 |
気化器
| キャブレータ型式 |
MIKUNI VM12SC |
ニードルジェット(NJ) |
D-9 |
| メインボア径 |
Φ12 |
スロットルバルブ(ThV) |
#3.5 |
| 判別刻印 |
22G0 (22G1) |
パイロットジェット(PJ) |
#12.5 |
| アイドリング回転 |
2000±150rpm |
エアースクリュ(AS) |
2と3/8戻し |
| 油面高さ |
5.0±1.0mm |
スタータジェット(GS) |
#10(#15) |
| フロートハイト |
24.5±1.0mm |
バルブシート(VS) |
Φ1.0 |
| メインジェット(MJ) |
#45(#58.8) |
スロットルケーブル遊び |
2.0〜4.0mm |
| ジェットニードル(JN) |
3K3-3(3F29-3) |
|
|
カッコ内は後期型(K4以降)のデータ
電気装置
| 電圧 |
12V アース式 |
充電電圧 |
14〜15V/5000rpm |
| 点火装置型式 |
CDI マグネット点火 |
スパークプラグ |
NGK CR6HA
DENSO U20FSR-U |
| 点火時期 |
BTDC20/2000rpm |
前照灯 |
15W |
| 蓄電池 |
YT4LBS (12V3A) |
尾灯/制動灯 |
5W/18W |
| 充電発電機 |
交流式 12V-6.0A |
方向指示灯 |
10W |
整備情報
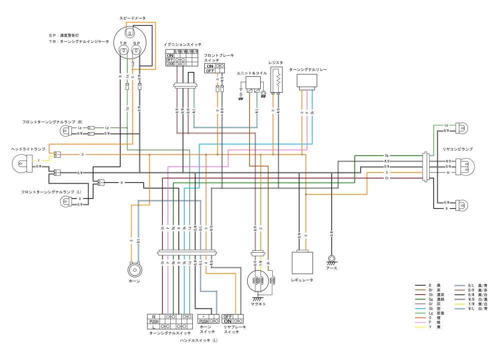
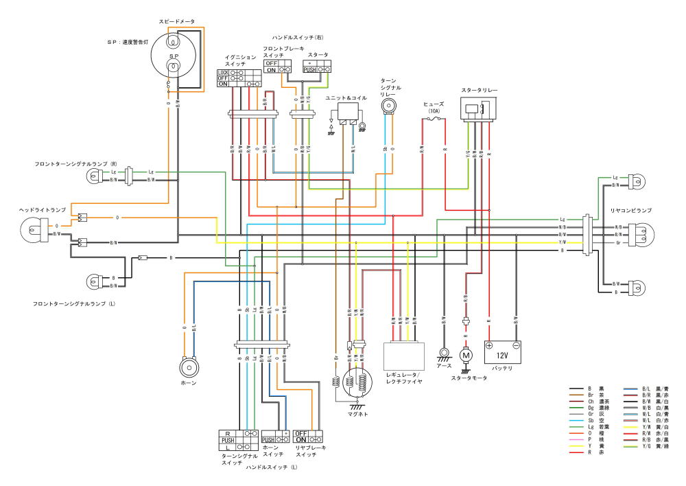
配線図
チョイノリ友人ebiちゃんに作成いただきました。
X5K3(セル無し車両)
セルなし配線図完成
セル付なし車両はこちらを参照してください。
カゴ付き、SS、後期型の違いでカプラー化されているところや配線の色が若干違うところがあるかもしれませんので注意を。
X5DK3(セルあり車両)
セル付き配線図完成
セル付き車両はこちらを参照してください。
カゴ付き、SS、後期型の違いでカプラー化されているところや配線の色が若干違うところがあるかもしれませんので注意を。
交流電流が黄/白、直流電流がオレンジという規則性がありますが、ハーネス内で黄色/白配線がオレンジ配線に変化しているところがあります。ヘッドライトとメーター照明はオレンジ配線ですが交流です。
代表的な締め付けトルク(Nm=10×kgfm)
| 項目 |
N・m |
項目 |
N・m |
| シリンダーヘッドカバー |
11 |
マグネトケースボルト |
12 |
| シリンダーヘッドボルト |
14 |
CVTケースボルト |
12 |
| バルブクリアランスナット |
7 |
マグネトカバーボルト |
12 |
| フライホイールマグネトナット |
35 |
CVTケースカバーボルト |
12 |
| クラッチハウジングナット |
50 |
オイルドレンプラグ |
12 |
| クラッチシューナット |
60 |
ギアボックスカバーボルト |
12 |
| キックレバーナット |
15 |
エンジンマウンティングナット |
31 |
| ステータコイルボルト |
4.5 |
マフラクランプボルト |
10 |
| ピックアップコイルボルト |
4.5 |
エキゾストパイプボルト |
10 |
| クランクケースボルト |
12 |
|
|
チョイノリ偉業に伴う記念日
チョイノリで偉業が達成されたために制定された
チョイノリ帝国 国民の休日
| 日 |
記念日名 |
由来 |
| 2月11日 |
チョイノリ生誕祭 |
2003年2月11日にチョイノリが発売された。 |
| 5月4日 |
第一次林道大戦 戦勝記念日 |
2012年5月4日 チョイノリによる剣山林道走破成功 |
| 7月17日 |
巡礼記念の日 |
2011年7月17日に初の聖地巡礼、歴史館に4名のチョイノリストが集まった日 |
| 8月28日 |
日本一周記念の日 |
2015年8月28日にゆみおき氏による日本一周が達成された |
| 12月12日 |
チョイノリ帝国 建国記念日 |
2010年12月12日にチョイノリブログが開始された |
チョイノリの歴史に思いをはせて、チョイノリ仲間に感謝しつつ安寧に過ごす休日。
日本国の休日とはならないので、仕事はしてくれ(笑)